Patronový demineralizační filtr - PDF 200
Po připojení na vodovodní řád slouží patronový demineralizační filtr k výrobě demineralizované vody pro potřeby zdravotnictví, klinické medicíny, laboratoří a jinde.
Požadované mezní hodnoty vodivosti je možno odhadovat na základě měření objemu upravené vody nebo jejich přesným stanovením pomocí zabudovaného přístroje pro měření vodivosti, který je dodáván na objednávku jako příslušenství filtru.
Po úpravě určeného množství vody (viz.graf) nebo po dosažení limitní hodnoty vodivosti se jednoduchým způsobem nahradí patrona s vyčerpaným ionexem umístěná ve filtru patronou náhradní. Chemický rozbor vody provádí provozovatel, může objednat i u výrobce je nezbytný pro zjištění intervalu výměny patrony. Odbornou regeneraci patrony provádí výrobce. Oběh patron je zajišťován výměnným způsobem.
|
Vlastnosti:
|
Obsah balení při dodávce:
|
Zvláštní vybavení:
|
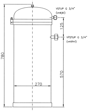
Výkres

Doporučené schéma zapojení

Graf - výměna patrony dle tvrdosti vody
