Menu
  • Vítejte
      • O společnosti
      • Profil společnosti
      • Environmentální politika (EMS)
      • Certifikace a normy
      • Projekty EU
      • Ke stažení
      • Zajímavosti
  • Produkty
      • Kotle na biomasu
      • Tlakové nádoby stabilní
      • Výměníky tepla
      • Ohříváky vody
      • Zařízení pro úpravu vod
      • Beztlaké nádoby
      • Ostatní produkty
      • Elektrárna na biomasu
      • Pozinkované nádoby pro domácí vodárny
  • Reference
      • Investiční akce
      • Realizace vlastních technologií
      • Tlakové nádoby
      • Kotelny na biomasu
      • Konstrukce a projekce
  • Servis
  • Kontakty
      • Adresy
  • Volné pozice
      • Benefity
      • Technickohospodářské profese
      • Dělnické profese
      • Brigády
  • Uživatelské menu
      • Přihlásit se
      • Vytvořit účet
  • Czech (CZ)
  • German (DE)
  • Russian (RU)
  • Slovak (SK)
  • English (UK)
STEP TRUTNOV

STEP TRUTNOV

    • Telefon:
    • +420 499 407 407
    • Sídlo společnosti:
    • Horská 695, 541 02 Trutnov
    • Adresa výrobního závodu
    • Horská 695, 541 02 TRUTNOV 4
  • Titulní stránka |
  • Produkty |
  • Zařízení pro úpravu vod |
  • Změkčovací filtry

Změkčovací filtry

Změkčovací filtry jsou používány v CHÚV a jsou určeny pro změkčování vody katexem v Na+ formě nebo pro neutrální dekarbonizaci.

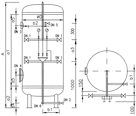
Upravovaná voda protéká filtrem shora dolů nebo zdola nahoru. Pro změkčování katexem doporučujeme provoz zdola nahoru. Regenerace se provádí vždy shora dolů. Filtr je stojatá válcová nádoba svařená z ocelových plechů a klenutých den. Uložena je na čtyřech trubkových nohách. Uvnitř je horní a dolní tryskové dno. Nádoba je osazena armaturami, vstupním, výstupním, spojovacím, odběrním potrubím a tlakoměry. Vnější povrch filtru je natřen základním nátěrem. Změkčovací filtry se označují písmeny ZF a průměrem filtru D v mm.

Hlavní konstrukční, připojovací a stavební rozměry jsou uvedeny v tabulce. Nejvyšší pracovní přetlak je 0,6 MPa. Nejvyšší pracovní teplota je závislá na použité náplni – max. 90°C. Pro praní musí být filtr vybaven přívodem čistého tlakového vzduchu o přetlaku 60 – 100 kPa. U filtrů doporučujeme použití podložné vrstvy praného křemičitého písku zrnění 1,8 až 4 mm. Vrstva inertní náplně má být 100 mm pro velikost filtrů 600 až 1000 mm a 200 mm pro filtry velikostí 1400 až 3000 mm.



Technické parametry

FILTRY
Typ - F 600 F 800 F 1000 F 1400 F 2000
Objem [l] 600 1000 2000 4200 9000
D [mm] 600 800 1000 1400 2000
A [mm] 2750 2800 3500 3850 4200
a1 [mm] 2000 2000 2500 2500 2500
a2 [mm] 350 400 450 650 800
a3 [mm] 500 500 600 600 750
a4 [mm] 100 100 150 150 350
a5 [mm] 200 200 350 350 350
b1 [mm] 200 200 400 600 800
b2 [mm] 250 300 400 450 550
DN 1 [mm] 50 65 80 125 150
DN 2 [mm] 25 25 40 50 65
DN 3 [mm] 200 200 - - -
DN 4 [mm] - - 450 450 450
DN 5 [mm] 15 15 20 25 25
DN 6 [mm] 15 15 15 15 15
Hmotnost [kg] 500 800 1150 2100 3800

Prohlédněte si také naše ostatní standardní modely filtrů: Patronový změkčovací filtr - PZF 200 | Patronový demineralizační filtr - PDF 200

Výkres

zmekcovac vody vykres

Stavební dimenze

zmekcovac schema


Stáhnout DWG

STEP TRUTNOV © 2026
  • Vítejte
  • Produkty
  • Reference
  • Servis
  • Kontakty
  • Volné pozice
  • Uživatelské menu

Login form