Menu
  • Vítejte
      • O společnosti
      • Profil společnosti
      • Environmentální politika (EMS)
      • Certifikace a normy
      • Projekty EU
      • Ke stažení
      • Zajímavosti
  • Produkty
      • Kotle na biomasu
      • Tlakové nádoby stabilní
      • Výměníky tepla
      • Ohříváky vody
      • Zařízení pro úpravu vod
      • Beztlaké nádoby
      • Ostatní produkty
      • Elektrárna na biomasu
      • Pozinkované nádoby pro domácí vodárny
  • Reference
      • Investiční akce
      • Realizace vlastních technologií
      • Tlakové nádoby
      • Kotelny na biomasu
      • Konstrukce a projekce
  • Servis
  • Kontakty
      • Adresy
  • Volné pozice
      • Benefity
      • Technickohospodářské profese
      • Dělnické profese
      • Brigády
  • Uživatelské menu
      • Přihlásit se
      • Vytvořit účet
  • Czech (CZ)
  • German (DE)
  • Russian (RU)
  • Slovak (SK)
  • English (UK)
STEP TRUTNOV

STEP TRUTNOV

    • Telefon:
    • +420 499 407 407
    • Sídlo společnosti:
    • Horská 695, 541 02 Trutnov
    • Adresa výrobního závodu
    • Horská 695, 541 02 TRUTNOV 4
  • Titulní stránka |
  • Produkty |
  • Zařízení pro úpravu vod |
  • Patronový změkčovací filtr - PZF 200

Patronový změkčovací filtr - PZF 200

 


Po připojení na vodovodní řád slouží patronový změkčovací filtr k výrobě změkčenévody s celkovou tvrdostí nižší než 0,1 mmol/l.

Zařízení se používá pro změkčování vody v teplovodních otopných soustavách při doplňování menších a středně velkých teplovodních soustav ústředního vytápění změkčenou vodou a jinde. Zařízení nalezne upotřebení i v domácnostech pro změkčení vody pro automatické pračky.

Po úpravě určeného množství vody (viz. graf) nebo po dosažení limitní hodnoty vodivosti se jednoduchým způsobem nahradí patrona s vyčerpaným ionexem umístěná ve filtru patronou náhradní. Pro zjištění intervalu výměny patrony je nezbytný chemický rozbor vody. Odbornou regeneraci patrony provádí výrobce. Oběh patron je zajišťován výměnným způsobem.

Příklad: Vstupní voda má celkovou tvrdost 1,5 mmol/l. Patronu vyměňte po přefiltrování 11 000 l vody (odečteno na vodoměru).

Vlastnosti:
  •  Trvalý průtok 300 l/h
  •  Okamžitý průtok 1800 l/h
  •  Maximální tlak 0,6 MPa
Obsah balení při dodávce:
  •  Patronový filtr s patronou a náplní
  •  Vodoměr
Zvláštní vybavení:
  •  Aparát pro měření vodivosti
  •  Náhradní patrona

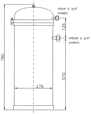
Výkres

pzf 200 vykres


Doporučené schéma zapojení

pzf 200 schema


Graf - výměna patrony dle tvrdosti vody

pzf 200 graf


Stáhnout DWG

STEP TRUTNOV © 2026
  • Vítejte
  • Produkty
  • Reference
  • Servis
  • Kontakty
  • Volné pozice
  • Uživatelské menu

Login form