Výměník - VT4 - VVL (voda - voda, ležatý)
Výměníky typového označení VT3 – PVL a VT4 - VVL jsou vyráběny pro tlaky plášť/vložka 1,6/1,6 MPa, maximální pracovní teploty plášť/vložka 200/200°C. Jsou vhodné zejména pro ohřev ÚT. Výhřevné médium (pára nebo voda) vstupuje do pláště.Cu trubky popř. Fe trubky jsou zaválcované případně zavařené do dvou pevných trubkovnic. Voda proudí čtyřsměrně (VV), dvousměrně (PV). Výměníky jsou opatřeny hrdly pro vstup a výstup vody nebo páry, dále návarky pro teploměr, odkalení a odvzdušnění. Výměníky jsou opatřeny základním nátěrem.
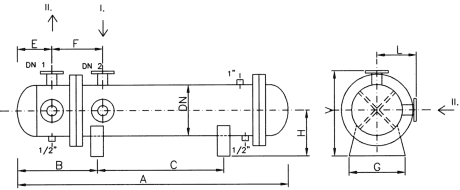
Technické parametry
| Katalogové číslo | DN |
A [mm] |
B [mm] |
C [mm] |
E [mm] |
F [mm] |
G [mm] |
H [mm] |
L [mm] |
V [mm] |
DN1 |
DN2 |
pl.Fe [m²] |
pl.Cu [m²] |
m [kg] | |
|---|---|---|---|---|---|---|---|---|---|---|---|---|---|---|---|---|
| Fe | Cu | |||||||||||||||
| 1201 | 150 | 1700 | 550 | 650 | 126 | 277 | 200 | 200 | 200 | 398 | 40 | 40 | 1,9 | 0,9 | 12 | 147 |
| 1202 | 200 | 1735 | 550 | 650 | 151 | 294 | 260 | 220 | 260 | 518 | 40 | 40 | 3,6 | 1,8 | 237 | 209 |
| 1203 | 250 | 1800 | 550 | 650 | 190 | 280 | 360 | 250 | 290 | 578 | 50 | 50 | 7 | 3,5 | 328 | 301 |
| 1204 | 300 | 1850 | 550 | 650 | 188 | 300 | 400 | 280 | 320 | 638 | 65 | 65 | 10,9 | 5,5 | 453 | 412 |
| 1205 | 350 | 1900 | 550 | 650 | 235 | 330 | 420 | 300 | 340 | 578 | 80 | 80 | 17 | 8,5 | 535 | 471 |
| 1206 | 400 | 1950 | 550 | 700 | 260 | 360 | 450 | 320 | 400 | 798 | 100 | 100 | 21,2 | 10,5 | 694 | 612 |
Kromě typových výrobků uvedených v katalogu dodáváme i atypická provedení.
Výkres
