Akumulační nádoby stojaté (AN-S)
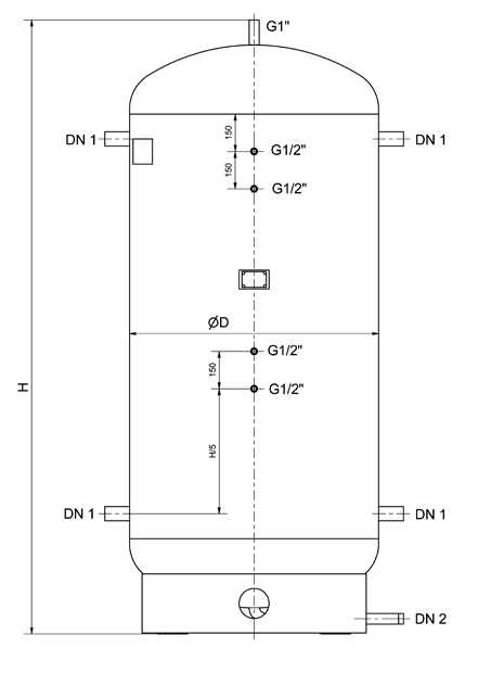
Akumulační nádoby stojaté AN-S se používají k akumulaci topné vody v topných systémech. Nádoby jsou opatřeny hrdly pro vstup a výstup pracovního média, dále návarky pro teploměr, tlakoměr, snímač regulace, odkalení a odvzdušnění. Pokud velikost jednotlivých vstupů a výstupů a jejich umístění neodpovídá rozměrové tabulce, je nutno je specifikovat v objednávce dle konkrétních požadavků odběratele. Plášť nádoby je opatřen základním nátěrem. Na přání odběratele provádíme vnitřní povrchovou úpravu pozinkováním nebo plastováním.
Akumulační nádoby v otopném systému zabezpečují:
- Okamžitý ohřev vody v malém okruhu systému a udržování optimální provozní teploty kotle
- Předání tepla do topného systému
- Ukládání nevyužité vyrobené tepelné energie do vodní náplně nádrží VAN
- Zvýšení tepelné energie až o 45%
- Úspora tuhých paliv až 35%
- Snadné doplnění systému ke stávajícímu zařízení pro spalování tuhých paliv
Technické parametry
| Katalogové číslo | Objem | H | D | Hrdla | Hmotnost [kg] | |||
|---|---|---|---|---|---|---|---|---|
| [l] | [mm] | [mm] | [DN 2] | [DN 1] | 0,3 Mpa | 0,6 Mpa | 1,0 Mpa | |
| AN01 | 250 | 1600 | 500 | G 1" | G 1" | 70 | ||
| AN02 | 400 | 1740 | 600 | G 1" | G 1" | 100 | ||
| AN03 | 550 | 2290 | 650 | G 1" | G 1" | 120 | ||
| AN04 | 650 | 1670 | 700 | G 1" | G 6/4" | 160 | ||
| AN05 | 800 | 1960 | 800 | G 1" | G 6/4" | 190 | ||
| AN06 | 1000 | 2370 | 800 | G 1" | G 6/4" | 220 | ||
| AN07 | 1400 | 2200 | 1000 | G 5/4" | G 6/4" | 250 | 260 | 300 |
| AN08 | 1600 | 2460 | 1000 | G 5/4" | G 6/4" | 280 | 290 | 330 |
| AN09 | 2000 | 2970 | 1000 | G 5/4" | G 2" | 330 | 340 | 400 |
| AN10 | 2200 | 2400 | 1200 | G 5/4" | G 2" | 330 | 420 | 470 |
| AN11 | 2500 | 2670 | 1200 | G 5/4" | G 2" | 360 | 430 | 520 |
| AN12 | 4000 | 3100 | 1400 | G 6/4" | DN65 | 500 | 640 | 950 |
| AN13 | 5000 | 3600 | 1400 | G 6/4 | DN65 | 610 | 750 | 1130 |
| AN14 | 6300 | 3710 | 1600 | G 6/4" | DN80 | 940 | 1050 | 1280 |
| AN15 | 8000 | 3740 | 1800 | G 6/4" | DN100 | 1210 | 1220 | 1580 |
| AN16 | 10000 | 3840 | 2000 | G 6 | DN100 | 1420 | 1430 | 1820 |
Kromě typových výrobků uvedených v katalogu dodáváme i atypická provedení.
Výkres
