Akumulační nádoby (AN - L)
Označení akumulačních nádob ležatých je AN-L. V objednávce je nutné uvádět katalogové číslo AN-L, druh pracovního média, objem, tlak a teplotu pracovního média.
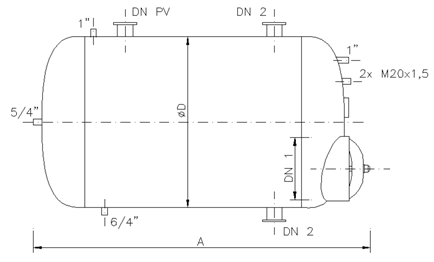
AN-L jsou opatřeny hrdly pro vstup a výstup pracovního média, dále návarky pro teploměr, tlakoměr, snímač regulace, odkalení a odvzdušnění. Velikost jednotlivých vstupů a výstupů (DN2) a jejich umístění je nutné specifikovat v objednávce dle konkrétních požadavků odběratele.
Plášť nádoby je opatřen základním ekologickým nátěrem a je možno, na základě požadavku, provést vnitřní povrchovou úpravu a to pozinkováním nebo plastováním. Nádoby jsou uloženy na základě požadavku do sedel.
Technické parametry
| Katalogové číslo | Objem [l] | D [mm] | A [mm] | DN1 [mm] | Hmotnost [kg] | ||
|---|---|---|---|---|---|---|---|
| 0,6 MPa | 1,0 MPa | 1,6 MPa | |||||
| ANM1 | 30 | 300 | 480 | - | 30 | 35 | 50 |
| ANM2 | 50 | 300 | 740 | - | 40 | 45 | 60 |
| ANM3 | 65 | 300 | 990 | - | 50 | 55 | 70 |
| ANM4 | 75 | 300 | 1090 | - | 55 | 60 | 75 |
| ANM5 | 90 | 300 | 1340 | - | 65 | 70 | 85 |
| ANM6 | 100 | 400 | 940 | - | 32 | 42 | 50 |
| ANM7 | 150 | 400 | 1340 | - | 44 | 57 | 69 |
| ANM8 | 200 | 500 | 1190 | - | 58 | 69 | 80 |
| Katalogové číslo | Objem [l] | D [mm] | A [mm] | DN1 [mm] | Hmotnost [kg] | ||
|---|---|---|---|---|---|---|---|
| 0,6 MPa | 1,0 MPa | 1,6 MPa | |||||
| AN101 | 250 | 550 | 1420 | - | 67 | 81 | 95 |
| AN102 | 400 | 600 | 1670 | - | 130 | 135 | 170 |
| AN103 | 540 | 650 | 1910 | - | 140 | 155 | 200 |
| AN104 | 630 | 700 | 2070 | - | 160 | 180 | 250 |
| AN105 | 800 | 800 | 2000 | - | 190 | 220 | 285 |
| AN106 | 1000 | 800 | 2580 | - | 230 | 270 | 330 |
| AN107 | 1400 | 1000 | 2150 | 420x320 | 320 | 405 | 525 |
| AN108 | 1600 | 1000 | 2300 | 420x320 | 370 | 480 | 630 |
| AN109 | 2000 | 1000 | 2770 | 420x320 | 465 | 580 | 740 |
| AN110 | 2200 | 1200 | 2310 | 420x320 | 510 | 630 | 790 |
| AN111 | 2500 | 1200 | 2810 | 420x320 | 580 | 700 | 870 |
| AN112 | 4000 | 1400 | 2870 | 420x320 | 830 | 980 | 1250 |
| AN113 | 5000 | 1400 | 3600 | 420x320 | 1030 | 1240 | 1570 |
| AN114 | 6300 | 1600 | 3500 | 420x320 | 1230 | 1490 | 1890 |
| AN115 | 8000 | 1800 | 3500 | 420x320 | 1570 | 1890 | 2490 |
| AN116 | 10000 | 2000 | 3800 | 420x320 | 1900 | 2280 | 3080 |
Kromě typových výrobků uvedených v katalogu dodáváme i atypická provedení.
Výkres
