Menu
  • Добро пожаловать
      • О компании
      • Профиль компании
      • Энвиронментальная политика
      • Сертификация и нормы
      • Скачать
      • События
  • Продукты
      • Котельные на биомассе
      • Стационарные резервуары высокого давления
      • Теплообменники тепла
      • Подогреватели воды
      • Устройства для обработки воды
      • Ёмкости низкого давления
      • Остальные продукты
      • Электростанция работающая на биомассе
  • Справка
      • Инвестиционная деятельность
      • Реализация собственных технологий
      • Котельные на биомассе
      • Конструкция и проекция
  • Обслуживание
  • Контакт
      • Адрес
  • Вакантные
  • Czech (CZ)
  • German (DE)
  • Russian (RU)
  • Slovak (SK)
  • English (UK)
STEP TRUTNOV

STEP TRUTNOV

    • Телефон:
    • +420 499 407 407
    • Головной офис:
    • Horská 695, 541 02 Trutnov
    • Αдрес завода – изготовителя компании:
    • Horská 695, 541 02 TRUTNOV 4
  • Главная |
  • Продукты |
  • Теплообменники тепла |
  • Теплообменник VT 2 - PVL (пар-вода, горизонтальный)

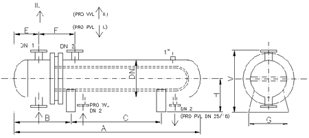
Теплообменник VT 2 - PVL (пар-вода, горизонтальный)

 


Теплообменник с типовым обозначением VT2 – VVL и PVL изготавливаются для давления кожуха/вставки 1,6/1,6 МПа., при максимальных рабочих температурах кожуха/вставки 200/200°C. Разогретая среда (пар или вода) попадают в кожух теплообменника и через вставки из медные (Cu) или железные (Fe) трубки, изогнутые в виде U, которые передают тепло нагреваемой воде.

Для подогрева воды используется обратное подключение, в связи с возникновением засорения системы водным камнем. Теплообменники установлены на пятках. Теплообменник разборный с возможностью замены вставок. . Теплообменники оснащены входными и выходными патрубками для пара и воды, циркуляционными фланцами и фланцами для манометра, термометра, очистки и выпуска воздуха. Поверхность теплообменников покрывается экологически чистой, водорастворимой грунтовкой.


Технические характеристики

VT2-VVL
Каталоговый
номер
DN
 
A
mm
B
mm
C
mm
E
mm
F
mm
G
mm
H
mm
V
mm
DN1
 
DN2
 
Пл.Fe
m²
Пл.Cu
m²
Весс кг.
Fe Cu
0901 150 1575 550 650 126 277 200 200 398 40 40 0,6 0,8 14 106
0902 200 1585 550 650 151 294 260 220 518 40 40 1,5 1,6 161 161
0903 250 1610 550 650 190 280 360 250 578 50 50 4 2,6 229 221
0904 300 1665 550 650 188 300 400 280 638 65 65 7,4 4 379 355
0905 350 1665 550 650 235 330 420 300 578 80 80 11 6,6 375 358
0906 400 1690 550 700 260 360 450 320 798 100 100 15,8 9,6 512 473


VT2-PVL
Каталоговый
номер
DN
 
A
mm
B
mm
C
mm
E
mm
F
mm
G
mm
H
mm
V
mm
DN1
 
DN2
 
Пл.Fe
m²
Пл.Cu
m²
Весс кг.
Fe Cu
1001 150 1700 550 650 126 277 200 200 398 40 25 0,6 0,8 102 104
1002 200 1735 550 650 151 294 260 220 518 40 25 1,5 1,6 160 160
1003 250 1800 550 650 190 280 360 250 578 50 32 2,9 2,6 226 219
1004 300 1850 550 650 188 300 400 280 638 65 40 5,4 4 376 351
1005 350 1900 550 650 235 330 420 300 578 80 50 8 6,6 371 354
1006 400 1950 550 700 260 360 450 400 798 100 65 11,5 9,6 506 468
1007 450 2200 600 800 300 400 450 425 820 100 80 20,1 12,5 741 628
1008 500 2350 600 800 340 450 500 450 870 125 100 26,7 15,1 940 765
1009 600 2350 600 1000 380 520 600 500 970 150 100 38 18,9 1311 1038
1010 700 2600 600 1000 420 600 700 550 1070 200 125 58,9 29 1702 1309

Кроме стандартных изделий, представленных в каталоге, поставляем и нестандартные исполнении.

рисунки

vt2 pvl vykres


Cкачать DWG

STEP TRUTNOV © 2026

Login form