ВЕРТИКАЛЬНЫЕ НАГРЕВАТЕЛИ ВОДЫ OVS-PV, OVS-VV
ТЕХНИЧЕСКИЕ ХАРАКТЕРИСТИКИ
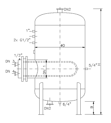
| Каталоговый номер | Объём л | D MM |
B MM |
H MM |
DN1 MM |
DN2 MM |
Масса кг.* | Поверхность теплоотдачи /M2 | |||||||||
|---|---|---|---|---|---|---|---|---|---|---|---|---|---|---|---|---|---|
| 0,6 MIIa | 1,0 MIIa | 1,6 MIIa | 0,5 | 1 | 2 | 3 | 5 | 8 | 10 | 12 | |||||||
| 0501 | 250 | 550 | 200 | 1470 | 250 | 25 | 125 | 130 | 140 | x | x | ||||||
| 0502 | 400 | 600 | 200 | 1720 | 250 | 25 | 150 | 155 | 190 | x | x | ||||||
| 0503 | 540 | 650 | 200 | 1960 | 300 | 40 | 180 | 195 | 240 | x | x | x | |||||
| 0504 | 630 | 700 | 200 | 2120 | 350 | 40 | 200 | 220 | 290 | x | x | x | |||||
| 0505 | 800 | 800 | 200 | 2050 | 400 | 40 | 240 | 270 | 325 | x | x | x | |||||
| 0506 | 1000 | 800 | 300 | 2730 | 450 | 50 | 290 | 330 | 390 | x | x | x | |||||
| 0507 | 1400 | 1000 | 300 | 2300 | 450 | 50 | 400 | 485 | 605 | x | x | x | x | x | |||
| 0508 | 1600 | 1000 | 300 | 2450 | 450 | 50 | 450 | 560 | 710 | x | x | x | x | x | |||
| 0509 | 2000 | 1000 | 300 | 2920 | 450 | 50 | 565 | 680 | 840 | x | x | x | x | x | |||
| 0510 | 2200 | 1200 | 300 | 2460 | 450 | 50 | 610 | 730 | 890 | x | x | x | x | x | |||
| 0511 | 2500 | 1200 | 300 | 2960 | 450 | 80 | 680 | 800 | 970 | x | x | x | x | x | |||
| 0512 | 4000 | 1400 | 300 | 3020 | 450 | 80 | 930 | 1080 | 1350 | x | x | x | x | x | |||
| 0513 | 5000 | 1400 | 300 | 3750 | 450 | 80 | 1130 | 1340 | 1670 | x | x | x | x | x | |||
| 0514 | 6300 | 1600 | 300 | 3650 | 450 | 80 | 1330 | 1590 | 1990 | x | x | x | x | ||||
| 0515 | 8000 | 1800 | 300 | 3650 | 450 | 100 | 1670 | 1990 | 2590 | x | x | x | |||||
| 0516 | 10000 | 2000 | 300 | 3950 | 450 | 100 | 2000 | 2380 | 3180 | x | x | x | |||||
| OVS VV | DN3=DN4 | 25 | 32 | 50 | 50 | 65 | 65 | 80 | 80 | ||||||||
| OVS PV | DN3 | 25 | 32 | 40 | 50 | 65 | 65 | 80 | 80 | ||||||||
| DN4 | 15 | 20 | 25 | 25 | 40 | 40 | 40 | 40 | |||||||||
без учёта массы вставки
Кроме стандартных изделий приведённых в каталоге, поставляем и нестандартные изделия
РИСУНКИ
