Menu
  • Home
      • About the company
      • Company profile
      • Environmental policy
      • Certification and specification
      • EU Projects
      • Download
      • Of interest
  • Products
      • Boilers for biomass
      • Stationary pressure vessels
      • Water heaters
      • Heat exchangers
      • Water treatment equipment
      • Non-pressure vessels
      • Other products
      • Biomass-Fired power plant
  • References
      • Investment activities
      • Our own technology realizations
      • Biomass boiler rooms
      • Construction and projection
      • Storage tanks
  • Service
  • Contacts
      • Addresses
  • Job vacancies
  • User menu
      • Log in
      • Register
  • Czech (CZ)
  • German (DE)
  • Russian (RU)
  • Slovak (SK)
  • English (UK)
STEP TRUTNOV

STEP TRUTNOV

    • Phone:
    • +420 499 407 407
    • Company headquarters
    • Horská 695, 541 02 Trutnov
    • Production plant location
    • Horská 695, 541 02 TRUTNOV 4
  • Home |
  • Products |
  • Stationary pressure vessels |
  • Expander (releaser) (TN-SEU)

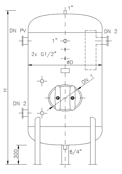
Expander (releaser) (TN-SEU)

 

They have a neck for input and output of the working medium, and welded-on pieces for expanders mandatory fittings.

When ordering the product, please, be sure to indicate a catalogue number as well as volume, pressure, and temperature of the working medium or finish required (e.g. primer, galvanising, etc.) as necessary.

Technical parameters

Catalogue
No.
Volume
[l]
D
[mm]
H
[mm]
DN1
[mm]
Weight [kg]
0,6 MPa 1,0 MPa 1,6 MPa
0301 1000 800 2560 420x320 290 330 390
0302 1400 1000 2300 420x320 420 505 625
0303 1600 1000 2700 420x320 470 580 730
0304 2000 1000 2920 420x320 565 680 840
0305 2200 1200 2460 420x320 610 730 890
0306 2500 1200 2960 420x320 680 800 970
0307 4000 1400 3020 420x320 930 1080 1350
0308 5000 1400 3750 420x320 1130 1340 1670
0309 6300 1600 3650 420x320 1330 1590 1990
0310 8000 1800 3650 420x320 1670 1990 2590
0311 10000 2000 3950 420x320 2000 2380 3180


Besides the standard products listed in the catalogue, we can also supply special models.

Drawing

tn seu vykres


DWG Download

STEP TRUTNOV © 2026
  • Home
  • Products
  • References
  • Service
  • Contacts
  • Job vacancies
  • User menu

Login form