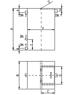
Non-pressure expansion tank
The non-pressure expansion tanks are designed as part of either water supply systems containing rather large quantity of water in the heating system or cooling water systems. The purpose of the non-pressure expansion tank is to compensate the degree of water expansion in the system preventing any loss of water.
Generally, the vessels come complete with an environmentally friendly primer coating. Plastic or galvanised finish upon request.
Technical parameters
| Catalog. No. | Volume I | Basic sizes | Vover | |||
|---|---|---|---|---|---|---|
| A [mm] | B [mm] | H [mm] | C [mm] | D [mm] | ||
| 3001 | 60 | 500 | 250 | 500 | 250 | 250 |
| 3002 | 125 | 500 | 500 | 500 | 250 | 500 |
| 3003 | 190 | 500 | 500 | 750 | 250 | 500 |
| 3004 | 250 | 500 | 500 | 1000 | 250 | 500 |
| 3005 | 420 | 750 | 750 | 750 | 400 | 400 |
| 3006 | 550 | 750 | 750 | 1000 | 400 | 400 |
| 3007 | 700 | 750 | 750 | 1250 | 400 | 400 |
| 3008 | 850 | 850 | 1000 | 1000 | 500 | 500 |
| 3009 | 1000 | 1000 | 1000 | 1000 | 500 | 500 |
| 3010 | 1250 | 1000 | 1000 | 1250 | 500 | 500 |
| 3011 | 1500 | 1000 | 1000 | 1500 | 500 | 500 |
| 3012 | 1800 | 1000 | 1000 | 1800 | 500 | 500 |
| 3013 | 2000 | 1000 | 1000 | 2000 | 500 | 500 |
| 3014 | 2500 | 1000 | 1250 | 2000 | 500 | 500 |
| 3015 | 3000 | 1000 | 1500 | 2000 | 500 | 500 |
| Catalog. No. | Connection sizes | Weight kg | |||||||
|---|---|---|---|---|---|---|---|---|---|
| DN1 | DN2 | DN3 | DN4 | a [mm] | b [mm] | c [mm] | d [mm] | ||
| 3001 | 1" | 1" | - | - | 30 | 55 | - | - | 24 |
| 3002 | 6/4" | 5/4" | 1/2" | 1" | 35 | 70 | 125 | 30 | 36 |
| 3003 | 6/4" | 5/4" | 1/2" | 1" | 40 | 75 | 190 | 30 | 48 |
| 3004 | 6/4" | 5/4" | 1/2" | 5/4" | 50 | 100 | 250 | 35 | 60 |
| 3005 | 2" | 6/4" | 1/2" | 5/4" | 45 | 90 | 190 | 35 | 108 |
| 3006 | 2" | 6/4" | 1/2" | 5/4" | 50 | 100 | 250 | 30 | 132 |
| 3007 | 70 | 50 | 1/2" | 40 | 65 | 125 | 310 | 35 | 156 |
| 3008 | 70 | 50 | 1/2" | 40 | 50 | 110 | 250 | 35 | 173 |
| 3009 | 70 | 50 | 1/2" | 40 | 50 | 110 | 250 | 35 | 192 |
| 3010 | 80 | 50 | 1/2" | 50 | 65 | 125 | 310 | 40 | 224 |
| 3011 | 80 | 50 | 1/2" | 50 | 75 | 150 | 375 | 40 | 320 |
| 3012 | Upon specific demand | 368 | |||||||
| 3013 | Upon specific demand | 400 | |||||||
| 3014 | Upon specific demand | 460 | |||||||
| 3015 | Upon specific demand | 520 | |||||||
Drawing

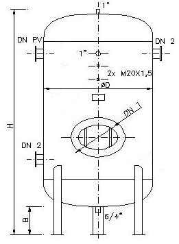
Technical parameters
| Catalogue | Volume | D | B | H | DN 1 | Weight |
|---|---|---|---|---|---|---|
| No. | [l] | [mm] | [mm] | [mm] | [mm] | [kg] |
| BN01 | 250 | 500 | 200 | 1630 | - | 80 |
| BN02 | 400 | 600 | 200 | 1720 | - | 140 |
| BN03 | 540 | 650 | 200 | 1960 | - | 160 |
| BN04 | 630 | 700 | 200 | 2120 | - | 180 |
| BN05 | 800 | 800 | 200 | 2050 | - | 220 |
| BN06 | 1000 | 800 | 300 | 2560 | - | 260 |
| BN07 | 1400 | 1000 | 300 | 2300 | 420x320 | 370 |
| BN08 | 1600 | 1000 | 300 | 2700 | 420x320 | 420 |
| BN09 | 2000 | 1000 | 300 | 2920 | 420x320 | 515 |
| BN10 | 2200 | 1200 | 300 | 2460 | 420x320 | 560 |
| BN11 | 2500 | 1200 | 300 | 2960 | 420x320 | 630 |
| BN12 | 4000 | 1400 | 300 | 3020 | 420x320 | 880 |
| BN13 | 5000 | 1400 | 300 | 3750 | 420x320 | 1080 |
| BN14 | 6300 | 1600 | 300 | 3650 | 420x320 | 1280 |
| BN15 | 8000 | 1800 | 300 | 3650 | 420x320 | 1620 |
| BN16 | 10000 | 2000 | 300 | 3950 | 420x320 | 1950 |
Drawing
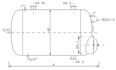
Technical parameters
| Volume from 30 to 200 l | |||||
|---|---|---|---|---|---|
| Catalogue | Volume | D | A | DN 1 | Weight |
| No. | [l] | [mm] | [mm] | [mm] | [kg] |
| BNM1 | 30 | 300 | 480 | - | 30 |
| BNM2 | 50 | 300 | 740 | - | 40 |
| BNM3 | 65 | 300 | 990 | - | 50 |
| BNM4 | 75 | 300 | 1090 | - | 55 |
| BNM5 | 90 | 300 | 1340 | - | 65 |
| BNM6 | 100 | 400 | 940 | - | 32 |
| BNM7 | 150 | 400 | 1340 | - | 44 |
| BNM8 | 200 | 500 | 1190 | - | 58 |
| Volume from 250 to 10 000 l | |||||
|---|---|---|---|---|---|
| Catalogue | Volume | D | A | DN 1 | Weight |
| No. | [l] | [mm] | [mm] | [mm] | [kg] |
| BN101 | 250 | 500 | 1440 | - | 67 |
| BN102 | 400 | 600 | 1670 | - | 130 |
| BN103 | 540 | 650 | 1910 | - | 140 |
| BN104 | 630 | 700 | 2070 | - | 160 |
| BN105 | 800 | 800 | 2000 | - | 190 |
| BN106 | 1000 | 800 | 2580 | - | 230 |
| BN107 | 1400 | 1000 | 2150 | 420x320 | 320 |
| BN108 | 1600 | 1000 | 2300 | 420x320 | 370 |
| BN109 | 2000 | 1000 | 2770 | 420x320 | 465 |
| BN110 | 2200 | 1200 | 2310 | 420x320 | 510 |
| BN111 | 2500 | 1200 | 2810 | 420x320 | 580 |
| BN112 | 4000 | 1400 | 2870 | 420x320 | 830 |
| BN113 | 5000 | 1400 | 3600 | 420x320 | 1030 |
| BN114 | 6300 | 1600 | 3500 | 420x320 | 1230 |
| BN115 | 8000 | 1800 | 3500 | 420x320 | 1570 |
| BN116 | 10000 | 2000 | 3800 | 420x320 | 1900 |
Drawing
