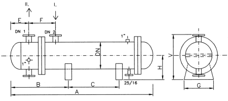
Výměník - VT3 - PVL (pára - voda, ležatý)
Technické parametry
| Katalogové číslo | DN |
A [mm] |
B [mm] |
C [mm] |
E [mm] |
F [mm] |
G [mm] |
H [mm] |
V [mm] |
DN1 |
DN2 |
pl.Fe [m2] |
pl.Cu [m2] |
m [kg] | |
|---|---|---|---|---|---|---|---|---|---|---|---|---|---|---|---|
| Fe | Cu | ||||||||||||||
| 1101 | 150 | 1700 | 550 | 650 | 126 | 277 | 200 | 200 | 398 | 25 | 40 | 2,5 | 1,3 | 152 | 135 |
| 1102 | 200 | 1735 | 550 | 650 | 151 | 294 | 260 | 220 | 518 | 25 | 40 | 4,6 | 2,5 | 229 | 197 |
| 1103 | 250 | 1800 | 550 | 650 | 190 | 280 | 360 | 250 | 578 | 50 | 50 | 8,4 | 4,6 | 316 | 289 |
| 1104 | 300 | 1850 | 550 | 650 | 188 | 300 | 400 | 280 | 638 | 50 | 65 | 12,6 | 7.3 | 438 | 403 |
| 1105 | 350 | 1900 | 550 | 650 | 235 | 330 | 420 | 300 | 578 | 65 | 80 | 19,2 | 9,4 | 520 | 445 |
| 1106 | 400 | 1950 | 550 | 700 | 260 | 360 | 450 | 320 | 798 | 80 | 100 | 23,5 | 12 | 670 | 585 |
Výkres
