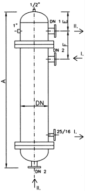
Теплообменник VT 1 - PVS (пар –вода, вертикальный)
Теплообменник с типовым обозначением VT1 – PVS изготавливаются для давления кожуха/вставки 1,6/1,6 МПа., при максимальных рабочих температур кожуха/вставки 200/200°C. В качестве рабочей среды особенно подходит пар низкого давления, который нагревает воду через медные или железные трубки, запрессованные в два блока. Вода течёт в одном направлении.
Теплообменники оснащены входными и выходными патрубками для пара и воды, циркуляционными фланцами и фланцами для манометра, термометра, очистки и выпуска воздуха. Поверхность теплообменников покрывается экологически чистой, водорастворимой грунтовкой.
Технические характеристики
| Каталоговый номер | DN |
A mm |
E mm |
F mm |
DN1 |
DN2 |
pl.Fe m² |
pl.Cu m² |
Весс кг. | |
|---|---|---|---|---|---|---|---|---|---|---|
| Fe | Cu | |||||||||
| 0701 | 150 | 1770 | 126 | 277 | 25 | 40 | 2,7 | 1,4 | 135 | 115 |
| 0702 | 200 | 1800 | 151 | 294 | 25 | 40 | 5,3 | 2,6 | 218 | 177 |
| 0703 | 250 | 1870 | 190 | 280 | 50 | 50 | 9,2 | 4,5 | 295 | 259 |
| 0704 | 300 | 1920 | 188 | 300 | 50 | 65 | 13,6 | 7 | 415 | 366 |
| 0705 | 350 | 1970 | 235 | 330 | 65 | 80 | 20,5 | 10 | 496 | 415 |
| 0706 | 400 | 2020 | 260 | 360 | 80 | 100 | 24,9 | 12 | 640 | 541 |
Кроме стандартных изделий, представленных в каталоге, поставляем и нестандартные исполнении.
Смотрите также другие наши стандартные модели теплообменников: ОБМЕННИК VT2 - PVL | ОБМЕННИК VT3 - PVL | ОБМЕННИК VT4 – VVS | ОБМЕННИК VT4 – VVL
рисунки
